合作熱線:0755-2363 3188
廉政舉報:191 6859 7067
合作郵箱:marketing@farben.com.cn
● 大通道,防纏繞,渦輪葉輪
● 防護等級IP 68,安全防水設計
● 多個進水口,安裝方便快捷
● 雙泵系統,兩臺水泵交替運行
● 水箱材質HDPE,水箱容積75L
● 電壓:220V 功率:1.3kw
● 揚程:13m 流量:40m3/h
1、工作原理
污水通過整套設備的入口進入設備的水箱,到達設備的啟動水位后,液位感應信號傳輸到控制器,電源接通,水泵啟動,將污水從污水箱中吸入,經蝸殼增壓后通過單流閥排出室外。當水位到達停止水位時,水泵停止工作,完成一個工作循環。當污水來水量大于水泵排水量時,水位到達報警水位,設備將發出報警信號。
整套設備采用全密閉結構,不會有異味泄漏,正常排氣通過通氣管排出室外。
2、外形尺寸圖

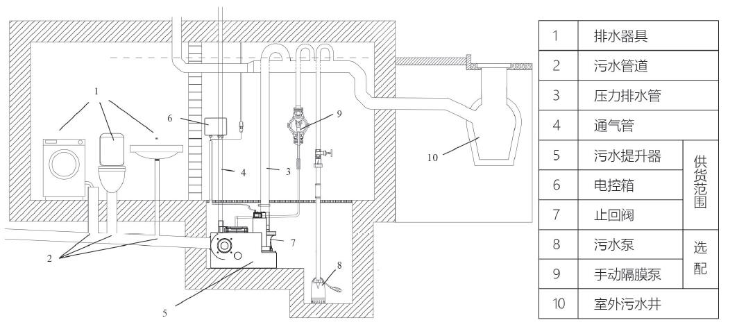
3、安裝示意圖

4、資料下載